求图_求图中电流I2
来源:52ij试题网
作者:佚名 2016-04-20 23:58
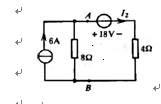
1、I2+Uab/8=6
2、Uab=18+4XI2
解方程1、2得:8XI2+18+4XI2=48,I2=30/12=2.5A.
其他回答
显示屏上的电流因各人电脑而异,回答完毕。

(1/3 + 1/2) * V1 = 12/3 + 0.5 * i1
i1 = (12 - v1) / 3
解得:
V1 = 6 V
i2 = V1 / 2 = 3 A
节点电压法是以流入节点的电流代数和为零列方程的,基本规则如下:
自电导之和乘以节点电压,减去互电导乘以相邻节点电压,等于流入节点的电源电流代数和.
自电导:只要电阻的一端在节点上,电阻的倒数就是电导.
互电导:电阻连接在两个节点之间.
电流源内阻无穷大,电导为零.
受控源只是参数受激励源控制,其电源属性不变.
问题3:求教如何判断图中I2电流方向?判断I2实际方向。[数学科目]

如图,把红色区域看成一个节点:
I5 + I1 + I3 = 0
I5 = - I1 - I3
= 4 - 1
= 3 A
中间的闭合回路:
3 * I4 - 4 * I2 = 18 (1)
A 节点:
I4 + I2 + I3 = 0
I4 + I2 = - I3
I4 + I2 = -1 (2)
解方程(1)(2)得:
I2 = - 3 A
问题4:求电流i2 电路如图
i2=1.5i1; 2i2+3i1=12; 3i1+3i1=12; i1=2; i2=3
问题5:求图中I2电流 一共有五道 2) 电路如图所示,已知电容电压uC(0-)=0,t=0打开开关,求t大于等于0的uC(t)及uR(t)。某线圈具有电阻20欧和电感0.2H,加在有效值为100V,频率为50HZ的正弦电压上,求线圈[物理科目]
6A 电流源转换成电压源是 48V 电压源串联 8Ω 电阻:
I2 = (6 * 8 - 18)/ (8 + 4)
= 2.5 A
(2)
图太小
本文来源于52ij试题网http://shiti.52ij.com/,52ij试题网有小学试题、初中试题及高中试题,初中试卷和高中试卷等,欢迎大家继续阅读学习。如有什么问题或建议请加52ij试题网的QQ群6538112沟通交流。
| 上一篇:送上人_《送上人》这首诗表达了诗人什么 | 下一篇:没有了 |
相关试题及答案
- omg大哥去哪了_RT 哪位大哥有12016/04/20
- 发光二极管正负极_利用发光二2016/04/20
- 空开跳闸_空气开关跳闸后再复2016/04/20
- ad603_AD603的增益控制电压问2016/04/20
- 2013唐山三模_(2013?唐山三模2016/04/20
- usb接口电压_怎样将电脑USB接2016/04/20
- 一节干电池-(18)利用电流表2015/05/18
- 电流表量程-如图所示,电流表2015/05/14
最热精选试题试题
最新精选试题试题
