2009年8月以来,整治酒后驾车行为在全国进行。林子的爸爸对此却不以为然,
来源:52ij试题网
作者:佚名 2015-04-28 11:05
导读:同学你好,你正在阅读的是我爱IT技术网教育培训平台所提供的生物试题,详细的知识点是:了解自己,增进健康 部分,以下是详细描述。
试题描述
试题:2009年8月以来,整治酒后驾车行为在全国进行。林子的爸爸对此却不以为然,为了说服爸爸,林子和爸爸一起做了一个“测定反应速度”的实验。实验操作如下图,实验结果如下表:测定-生物试题及答案
试题描述:
| 2009年8月以来,整治酒后驾车行为在全国进行。林子的爸爸对此却不以为然,为了说服爸爸,林子和爸爸一起做了一个“测定反应速度”的实验。实验操作如下图,实验结果如下表: | ||||||||||||||||||||
| ||||||||||||||||||||
| ||||||||||||||||||||
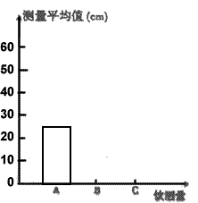
| 请分析回答: (1)请帮林子将表中数据转换成条形图。 | ||||||||||||||||||||
| ||||||||||||||||||||
| (2)实验结果表明:饮酒会影响人的反应速度,且饮酒越多,测量值越_____,人的反应速度越_____。 (3)实验中只对爸爸一人进行了测量,测量数据还缺乏足够的说服力,可以通过增加________来改进实验,增强可信度,让更多的人认识到酒后驾车的危害性。 |
试题答案
试题答案: (1)
考察知识点整理归纳如下:
试题题型:读图填空题
试题来源:专项题
试题难度:偏难
适用学段:初中
考察重点:了解自己,增进健康
试题分析:
经过对同学们试题原文答题和答案批改分析后,可以看出该题目“2009年8月以来,整治酒后驾车行为在全国进行。林子的爸爸对此却不..”的主要目的是检查您对于考点“初中了解自己,增进健康”相关知识的理解。有关该知识点的概要说明可查看:“初中了解自己,增进健康”。
本文来源于52ij试题网http://shiti.52ij.com/,52ij试题网有小学试题、初中试题及高中试题,初中试卷和高中试卷等,欢迎大家继续阅读学习。如有什么问题或建议请加52ij试题网的QQ群6538112沟通交流。
| 上一篇:3月12日为植树节;12月1日为“____________”5月31日为“__________”6月26...[了解自己,增进健康 ] | 下一篇:引起心肌梗死的原因是①冠状动脉硬化使心肌供血不足②冠状动脉被血凝块完全...[了解自己,增进健康 ] |
相关试题及答案
- 下列叙述中错误的是[]A、酒后2015/04/28
- 对于毒品的叙述中。不正确的是2015/04/28
- 与恶性肿瘤产生有关的是[]A、2015/04/28
- 酗酒是指[]A、55度以上的酒B、2015/04/28
- 世界卫生组织对健康的定义包括2015/04/28
- 高血压病的产生原因是[]A、遗2015/04/28
- 下列不是不健康的行为的是[]A2015/04/28
- 下列各项中,能够促进青少年健2015/04/28
- 当你做一件事没有成功时,应该2015/04/28
- 酒精对人的害处是①对心脏、血2015/04/28
- 烟草燃烧时烟雾中对人有害的物2015/04/28
- 下列不属于健康生活方式的是[]2015/04/28
- 下列可能会使心理受到生理的不2015/04/28
- 当情绪不好时,不正确的调节方2015/04/28
- 健康的含义是[]A.肢体均称、2015/04/28
- “狐狸吃不到葡萄就说葡萄是酸2015/04/28
最热初中生物试题试题
最新初中生物试题试题


